Note
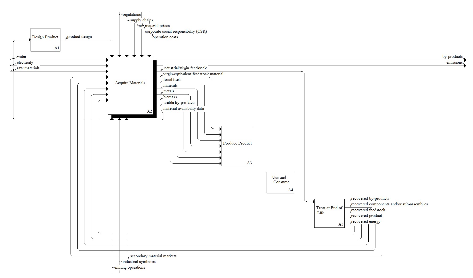
This activity is fully described. Click a decomposition, activity, or input/output/control/mechanism for descriptions and examples that are relevant for acquiring materials in a circular economy..
Activity-in-Diagram: Acquire Materials
Description
Acquiring material feedstock to produce the given product [1]Owning Diagram: A0: Produce in a circular economy
Decomposition
Input
Output
Control
Disclaimer: Certain commercial equipment, instruments, or materials are identified in this documentation to foster understanding. Such identification does not imply recommendation or endorsement by the National Institute of Standards and Technology, nor does it imply that the materials or equipment identified are necessarily the best available for the purpose.