Model: A5: Treat at End of Life
Description
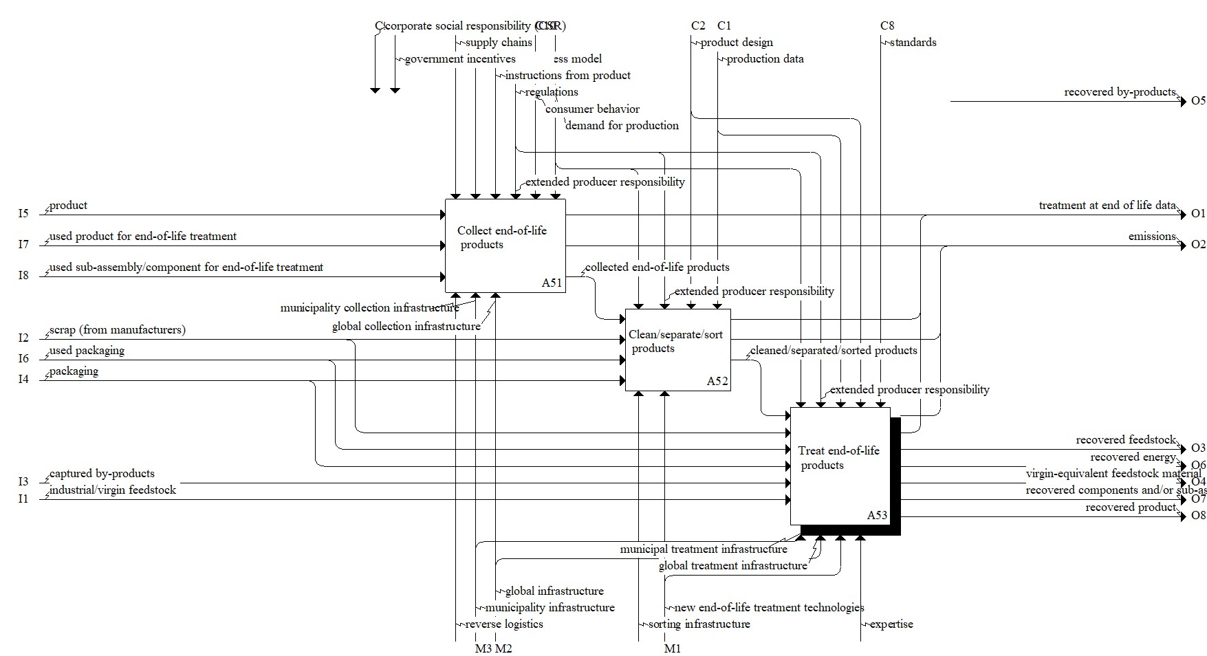
The end-of-life stage model consists of the activities relevant to handling products when they have reached their end of life (e.g., a consumer no longer wants them or they are no longer functional). A key difference between product treatment at end-of-life for the circular economy model is the increase in the number of possible pathways to keep materials and energy in the system by recirculating them. Click the individual Concepts for descriptions and examples of inputs, outputs, controls, and mechanisms relevant to a circular economy.Parent Activity: Treat at End of Life
Concepts
corporate social responsibility (CSR)
collected end-of-life products
cleaned/separated/sorted products
virgin-equivalent feedstock material
used product for end-of-life treatment
extended producer responsibility
municipality collection infrastructure
global collection infrastructure
municipal treatment infrastructure
global treatment infrastructure
new end-of-life treatment technologies
Disclaimer: Certain commercial equipment, instruments, or materials are identified in this documentation to foster understanding. Such identification does not imply recommendation or endorsement by the National Institute of Standards and Technology, nor does it imply that the materials or equipment identified are necessarily the best available for the purpose.