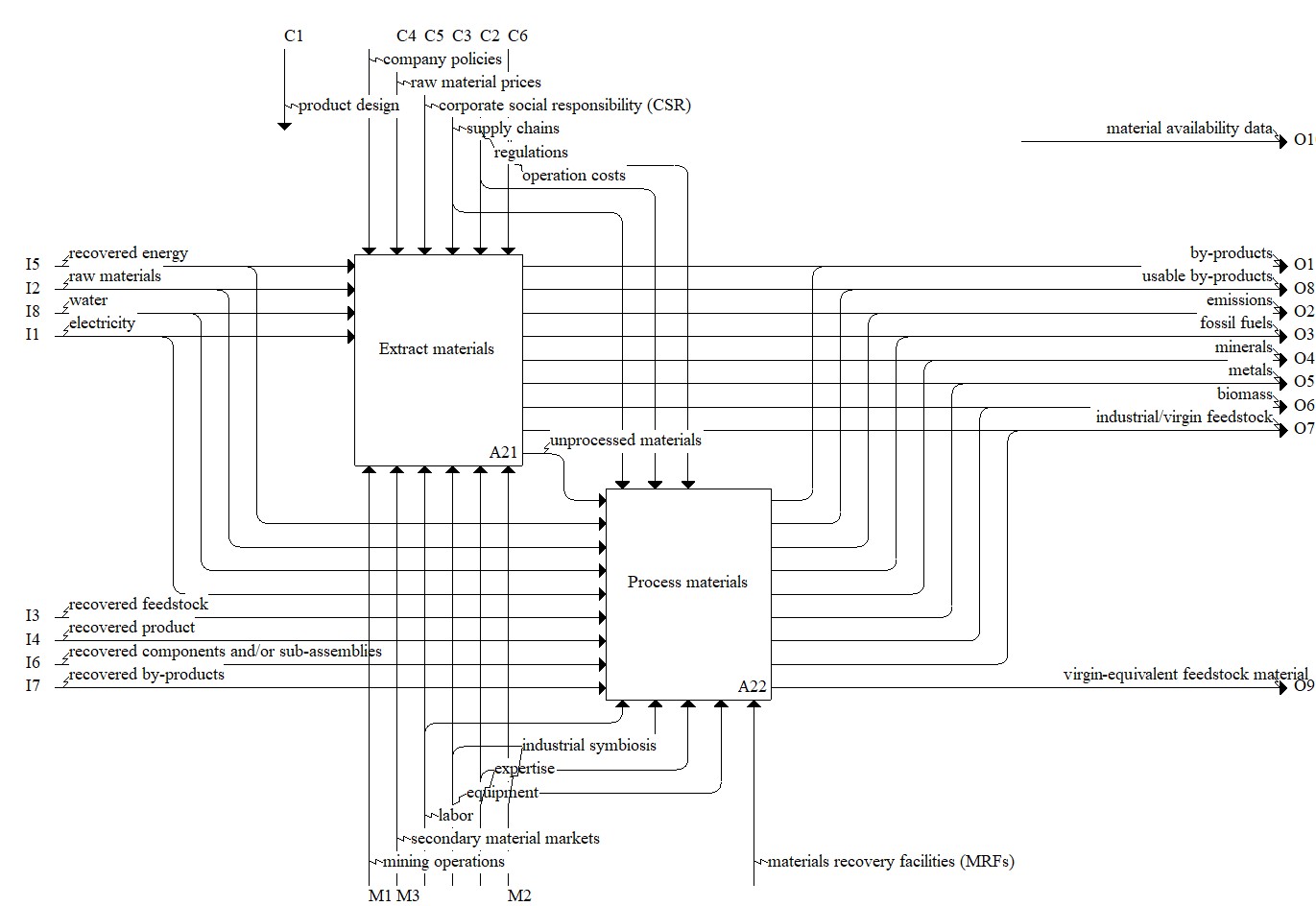
Model: A2: Acquire Materials

Click Activity Box for Description Click Shadow for Decomp Diagram Click Shadow for Decomp Diagram Click Activity Box for Description Click Shadow for Decomp Diagram Click Shadow for Decomp Diagram

Description

The material acquisition stage model consists of activities that are relevant to acquiring the material needed for production. A key difference for the material acquisition stage within a circular economy model is the existence of a supply stream of materials, products, and energy, along with associated information, that recirculates into the value chain from downstream life cycle stages (e.g., end-of-life). Click the individual Concepts for descriptions and examples of inputs, outputs, controls, and mechanisms relevant to a circular economy.

Parent Activity: Acquire Materials

Disclaimer: Certain commercial equipment, instruments, or materials are identified in this documentation to foster understanding. Such identification does not imply recommendation or endorsement by the National Institute of Standards and Technology, nor does it imply that the materials or equipment identified are necessarily the best available for the purpose.