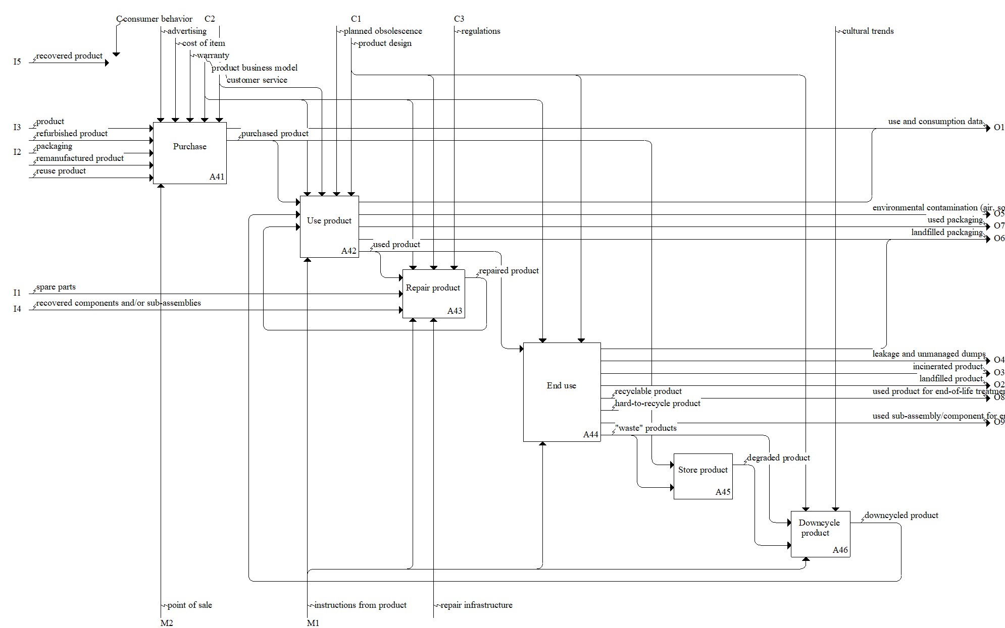
Model: A4: Use and Consume

Click Activity Box for Description Click Shadow for Decomp Diagram Click Shadow for Decomp Diagram Click Activity Box for Description Click Shadow for Decomp Diagram Click Shadow for Decomp Diagram Click Activity Box for Description Click Shadow for Decomp Diagram Click Shadow for Decomp Diagram Click Activity Box for Description Click Shadow for Decomp Diagram Click Shadow for Decomp Diagram Click Activity Box for Description Click Shadow for Decomp Diagram Click Shadow for Decomp Diagram Click Activity Box for Description Click Shadow for Decomp Diagram Click Shadow for Decomp Diagram

Description

The use and consume stage model consists of the activities carried out by consumers, including purchasing, use, and repair (if possible). Finally, this stage considers what consumers may do with the product at its end of life, such as store it, downcycle it, send it somewhere for processing, or landfill it. A key difference between the use and consume stage in a circular economy model is that consumer behavior impacts what recovery pathways are considered viable for the business. Click the individual Concepts for descriptions and examples of inputs, outputs, controls, and mechanisms relevant to a circular economy.

Parent Activity: Use and Consume

Disclaimer: Certain commercial equipment, instruments, or materials are identified in this documentation to foster understanding. Such identification does not imply recommendation or endorsement by the National Institute of Standards and Technology, nor does it imply that the materials or equipment identified are necessarily the best available for the purpose.